8 (925) 663-83-63Call-центр
пн-вс: 10:00-19:00
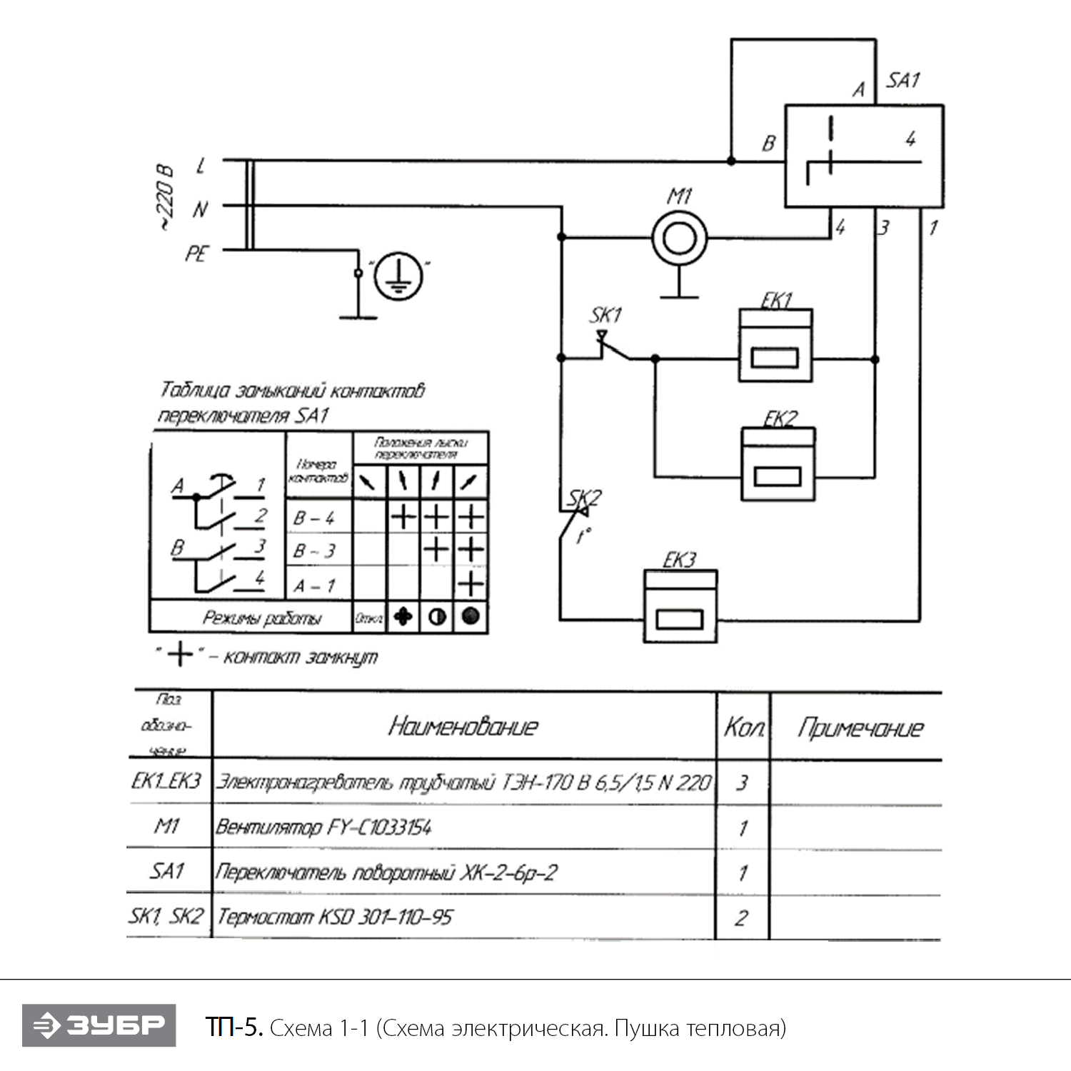
Данная модель имеет несколько схем
| N | Артикул | Название | Срок отгрузки | Цена | Купить |
| 7 | V000-001-043 | Двигатель YJF 10-00 40W V000-001-043 для тепловых пушек ТП-П ТП-П9,ЗТП-9 | 3.308 р. | ||
| 7 | V000-001-064 | Электродвигатель c крыльчаткой FY-C1033154 220В 38Вт | 4.229 р. | ||
| 9 | V000-004-120 | ТЭН FY-EHR-TBR-1500 D6.6 / REF 165х153 220В | 987 р. | ||
| 10 | V000-006-956 | Термостат 110°С KSD301-110-95 нормально замкнутый | 194 р. | ||
| 13 | V000-003-498 | Переключатель роторный FY-SR-KX-2-6p-2 16А (6 контактов) | 607 р. | ||
| 15 | N000-029-541 | Ручка переключателя | 237 р. | ||
| 21 | N000-029-543 | Гайка-заклепка М4 | – |
| Найдено товаров: 7 |
|
8 (925) 663-83-63 Call-центр
пн-вс: 10:00-19:00
| Введите номер заказа |
| Введите номер своего заказа, что бы узнать его текущий статус. Что бы получить доступ к расширенным функциям, пройдите не сложную регистрацию. Зарегистрироваться |