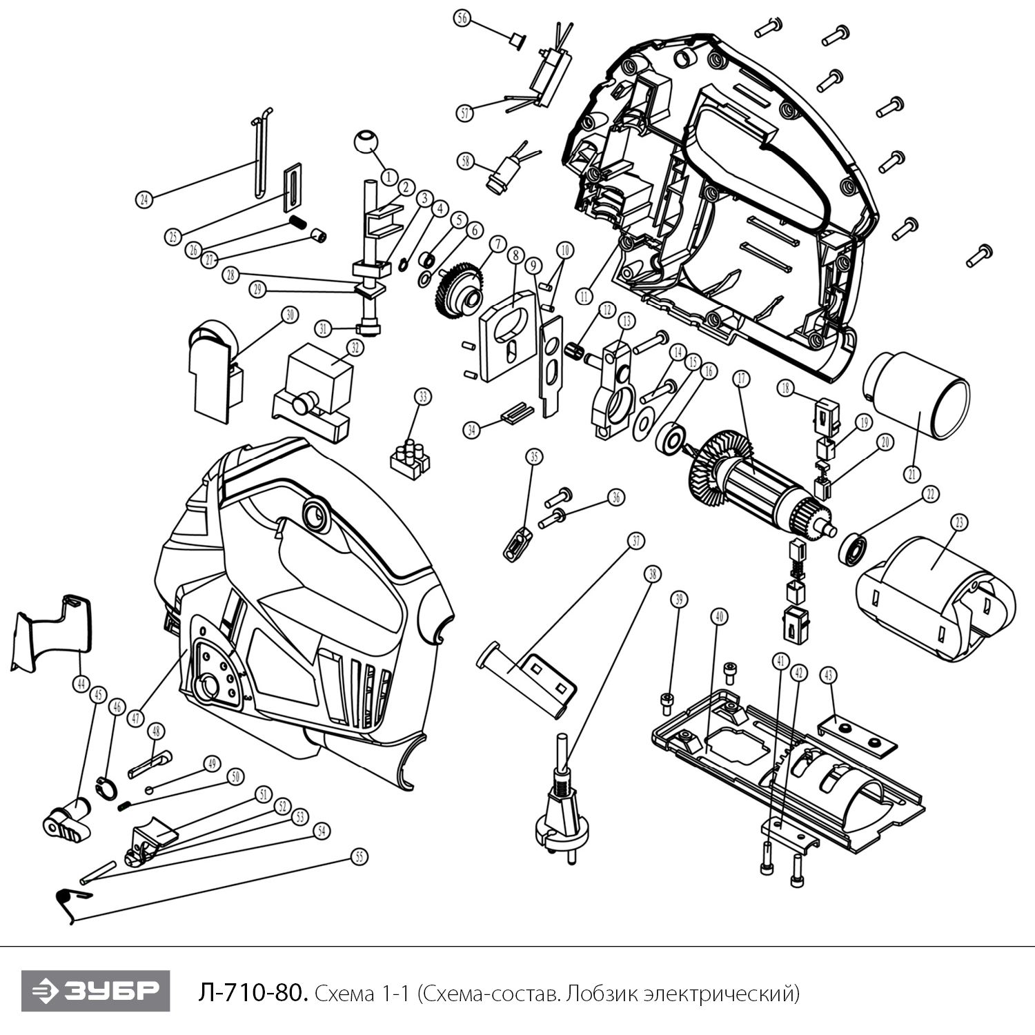
Лобзик электрический Л-710-80
Данная модель имеет несколько схем
N Артикул Название Срок отгрузки Цена Купить
1
U354-571-019
Направляющая штока круглая (верхняя) D8
92 р.
1.09
U009-607-RS0
Подшипник шариковый 607 RS (19х7х6) U009-607-RS0 для болгарок УШМ-П125-850, AGS-125-1000
286 р.
1.20
U009-608-RS0
Подшипник шариковый 608-2RS (22х8х7) U009-608-RS0 для пил ЗПС-850 Э, ЗПТ-210-1300-Л
306 р.
2
N000-019-937
Шток D8
381 р.
2.C
N000-019-937-C
Шток в сборе N000-019-937-C для лобзиков Л-570-65, Л-710-80
351 р.
3
U354-571-061
Направляющая штока D8 (нижняя)
92 р.
4
UM06-000-004
Кольцо стопорное D5 UM06-000-004 для ЗПД-2000, ЗУШМ-115-600
81 р.
5
U204-570-024
Втулка стальная D10 Dвн5 h6
92 р.
6
U354-570-029
Шайба D=12 D=6
92 р.
7
U354-570-032
Шестерня ведомая D40.5 Z46
383 р.
8
U354-570-033-2
Противовес (48х52,5х3,25)
92 р.
9
U354-570-035
Толкатель маятника
92 р.
10
U354-570-037
Штифт металлический
23 р.
11
N000-019-954
Корпус правая часть
572 р.
12
U010-061-309
Подшипник игольчатый HK061309 (13х6х9)
189 р.
13
N000-019-941
Противовес 59x28x28
151 р.
14
UM02-000-072
Саморез 4x27 PH2 #F
92 р.
15
U604-620-015
Шайба (d8,5 D21,5 h0,3)
–
17
N000-019-955
Ротор КДА D39х40
1.513 р.
18
N000-019-946
Корпус щеткодержателя
131 р.
19
U354-570-049-W
Щетка графитовая (пара) 5х8х11
119 р.
19
N000-019-945
Щёткодержатель
60 р.
21
N000-019-956
Переходник для пылесоса
–
23
N000-019-957
Статор КДС D65х40
1.461 р.
24
U354-570-047
Скоба
56 р.
25
U354-570-002
Направляющая штока вертикальная
92 р.
26
U354-570-005
Пружина h=12, D=5
92 р.
27
U354-570-006
Втулка h 8, D5, D7
189 р.
28
U354-571-043
Пыльник штока D8
92 р.
29
U354-571-040
Обойма пыльника штока D8
92 р.
30
V000-004-321
Регулятор оборотов модель 13-65, 3 вывода
415 р.
31
U204-570-012
Пилкодержатель D14.5х12
189 р.
32
V000-003-306
Выключатель TMSD3-2-2 16(8)A 250V~ 25T105/55 5E4
242 р.
34
U354-570-041
Пыльник маятника
–
35
U354-570-057
Прижим шнура
92 р.
35
N000-019-953
Лыжа N000-019-953 для лобзиков Л-570, Л-710, Л-570-65, Л-710-80
588 р.
36
UM02-000-066
Саморез 4x19 PH2
92 р.
37
U098-001-003
Воротник шнура #F
92 р.
38
U099-004-001
Шнур сетевой пласт. 2x0,75мм 2м #F
189 р.
39
UM01-000-016
Винт M4x12 H3 (цилиндр) #F
92 р.
41
UM01-000-025
Винт M4x20 Н3 (цилиндр) #F
92 р.
42
U604-620-060
Прижим лыжи
–
43
U354-571-021
Гайка специальная прижима лыжи
–
44
N000-019-951
Экран защитный
189 р.
45
U604-620-044
Ручка регулятора маятника
–
46
UM06-001-014
Кольцо разжимное D10 #F
92 р.
47
N000-019-959
Корпус левая часть
572 р.
48
U354-710-044
Переключатель хода маятника
70 р.
49
U261-960-011
Шарик стальной D4
84 р.
50
U604-620-049
Пружина
46 р.
54
U354-570-018
Ось держателя упорного ролика
92 р.
55
U354-570-016
Пружина
92 р.
59
U354-570-014-C
Ролик упорный в сборе
189 р.